Skip to main content
Please wait...
AS-EP0975I-OTX-3X-TC-TCSB-AM
OILIFT - HYDRAULIC LIFT

National standard Italian Law 13/1989 - Ministerial Decree of the Ministry of Public Works 236/1989 - Non-residential building
Local standard Regional Law Lombardy 6/1989 - Public building
Other local standard Provincial Decree Bolzano 54/2009 - Scholastic building
... ...
Model OILIFT HYDRAULIC
Capacity 975 kg
Capacity 13 persons
Kind of shaft Shaft in brickwork
Car accesses Three accesses
Type of car doors Telescopic and central
Type of floor landing doors Telescopic and central
Position of doors Overhanging the shaft
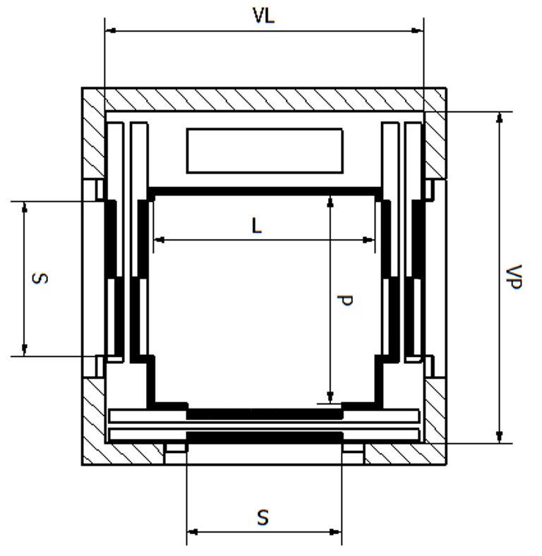
Car width (L) 1500 mm
Car depth (P) 1500 mm
Doors opening (S) 900 mm
Width of inner shaft (VL) 2050 mm
Depth of inner shaft (VP) 2200 mm
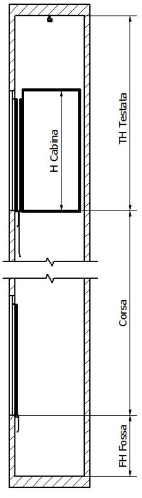
Car height (H) 2130 mm
Shaft (FH)
  • Standard
  • Reduced
  • As an exception (installation subject to authorisation)
Placeholder
  • 1200 mm
  • 950 mm
  • 500 mm
Head (TH)
  • Standard
  • As an exception (installation subject to authorisation)
Placeholder
  • 3400 mm
  • 2500 mm
Width of unloading area 1500 mm
Depth of unloading area 1500 mm
Note
  • Data valid for plants with standard fittings.
  • Speed up to 1.00 m/s.
  • ELMA reserves the right to change without prior notice the data on this data sheet.
Review
03/20 AI11/      / SA01 / B

This technical sheet is available on the web site www.elmaonline.it

About

We are professional and reliable provider since we offer customers the most powerful and beautiful themes. Besides, we always catch the latest technology and adapt to follow world’s new trends to deliver the best themes to the market.