Aller au contenu principal
Veuillez patienter...
EL-RI0250M-ORL-1X-SF-BASP-AM
ELEVATEUR AUXILIA S - CABINE AVEC PORTES AUTOMATIQUES A SOUFFLET - PORTES BATTANTES D’ETAGE - MANŒUVRE AUTOMATIQUE.

Norme nationale Loi italienne 13/1989 - Arrêté ministérielle du Ministère des Travaux Publics 236/1989 - Bâtiment rénové
... ...
Modèle AUXILIA S - MANŒUVRE AUTOMATIQUE
Charge 250 kg
Capacité 3 persone
Dimensions Moyen
Type de gaine Gaine en maçonnerie
Accès à cabine Accès simple
Type de portes de cabine A soufflet
Type de portes d’étage A un seul battant
Position des portes Sur le palier
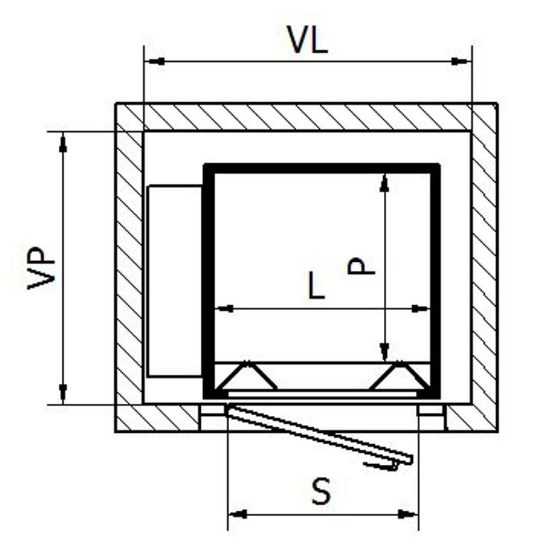
Largeur de cabine (L) 810 mm
Profondeur de cabine (P) 1200 mm
Ouverture des portes (S) 750 mm
Largeur gaine intérieure (VL) 1200 mm
Profondeur gaine intérieure (VP) 1400 mm
Hauteur de cabine (H) 2000 mm
Cuvette (FH)
  • Standard
  • Réduite
Placeholder
  • 250 mm
  • 150 mm
Tête (TH)
  • Standard
  • Réduite
Placeholder
  • 2500 mm
  • 2400 mm
Largeur zone de sortie 1400 mm
Profondeur zone de sortie 1400 mm
Remarques
  • Données valables pour installations avec équipements standards.
  • Vitesse 0,15 m/s.
  • ELMA se réserve le droit de modifier les données de ce fiche technique, sans préavis.
Révision
02/12 FC01/      / SC01 / A

Cette fiche est disponible sur le site www.elmaonline.it

About

We are professional and reliable provider since we offer customers the most powerful and beautiful themes. Besides, we always catch the latest technology and adapt to follow world’s new trends to deliver the best themes to the market.