Aller au contenu principal
Veuillez patienter...
AS-RI0525B-ECX-3X-TC-TCSB-AM
ASCENSEUR ECOLIFT MONOVANO - ELECTRIQUE SANS SALLE DE MACHINES

Norme nationale Loi italienne 13/1989 - Arrêté ministérielle du Ministère des Travaux Publics 236/1989 - Bâtiment rénové
Autre norme nationale Décret du Président de la République italienne 503/1996
Autre norme locale Décret du Président de la Province Bolzano 54/2009 - Bâtiment rénové
... ...
Armoire de commande généralement au dernier étage. Pour les portes d’étage EI (classe de résistance au feu), consultez ELMA.
...
Modèle ECOLIFT MONOVANO
Charge 525 kg
Capacité 7 persone
Type de gaine Gaine en maçonnerie
Accès à cabine Trois accès
Type de portes de cabine Télescopique et central
Type de portes d’étage Télescopique et central
Position des portes En porte-à-faux dans la gaine
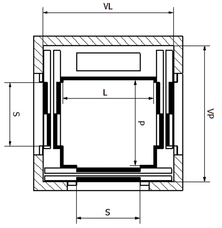
Largeur de cabine (L) 1200 mm
Profondeur de cabine (P) 1200 mm
Ouverture des portes (S) 800 mm
Largeur gaine intérieure (VL) 1750 mm
Profondeur gaine intérieure (VP) 1900 mm
Hauteur de cabine (H) 2130 mm
Cuvette (FH)
  • Standard
  • Réduite
  • En dérogation (installation soumise à autorisation)
Placeholder
  • 1200 mm
  • 1000 mm
  • 500 mm
Tête (TH)
  • Standard
  • En dérogation (installation soumise à autorisation)
Placeholder
  • 3500 mm
  • 2500 mm
Largeur zone de sortie 1400 mm
Profondeur zone de sortie 1400 mm
Remarques
  • Données valables pour installations avec équipements standards.
  • Vitesse jusqu’à 1,40 m/s.
  • ELMA se réserve le droit de modifier les données de ce fiche technique, sans préavis.
Révision
04/26 AI11/ RC01 / SA01 / B

Cette fiche est disponible sur le site www.elmaonline.it

About

We are professional and reliable provider since we offer customers the most powerful and beautiful themes. Besides, we always catch the latest technology and adapt to follow world’s new trends to deliver the best themes to the market.