Aller au contenu principal
Veuillez patienter...
EL-RI0390G-ONX-2A-XX-BASB-MA
ELEVATEUR AUXILIA 1 ET 2 - CABINE SANS PORTES - PORTES D’ETAGE A BATTANT - MANŒUVRE MAINTENUE

Norme nationale Loi italienne 13/1989 - Arrêté ministérielle du Ministère des Travaux Publics 236/1989 - Bâtiment rénové
... ...
Modèle AUXILIA 1 ET 2 - MANŒUVRE MAINTENUE
Charge 390 kg
Capacité 4 persone
Dimensions Grand
Type de gaine Gaine métallique pour intérieur
Accès à cabine Deux accès adjacents
Type de portes de cabine Sans porte
Type de portes d’étage A un seul battant
Position des portes En porte-à-faux dans la gaine
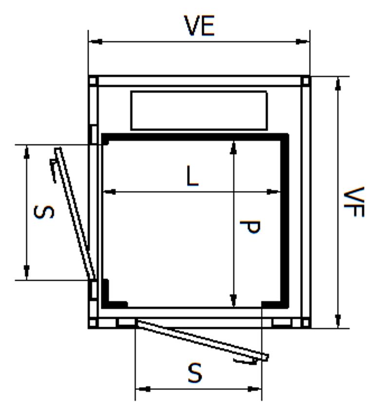
Largeur de cabine (L) 1200 mm
Profondeur de cabine (P) 1200 mm
Ouverture des portes (S) 800 mm
Larghezza vano esterno (VE) 1420 mm
Profondità vano esterno (VF) 1620 mm
Hauteur de cabine (H) 2000 mm
Cuvette (FH)
  • Standard
  • Réduite
Placeholder
  • 200 mm
  • 100 mm
Tête (TH)
  • Standard
  • Réduite
Placeholder
  • 2400 mm
  • 2150 mm
Largeur zone de sortie 1400 mm
Profondeur zone de sortie 1400 mm
Remarques
  • Données valables pour installations avec équipements standards.
  • Vitesse 0,15 m/s.
  • AUXILIA 1 tête minimale 2000 mm.
  • ELMA se réserve le droit de modifier les données de ce fiche technique, sans préavis.
Révision
10/12 LD11/      / SC01 / B

Cette fiche est disponible sur le site www.elmaonline.it

About

We are professional and reliable provider since we offer customers the most powerful and beautiful themes. Besides, we always catch the latest technology and adapt to follow world’s new trends to deliver the best themes to the market.