Aller au contenu principal
Veuillez patienter...
EL-NC0250P-ORX-2A-XX-BASP-AM
ELEVATEUR AUXILIA 1 ET 2 - CABINE SANS PORTES - PORTES D’ETAGE A BATTANT - MANŒUVRE MAINTENUE

... ...
Modèle AUXILIA 1 ET 2 - MANŒUVRE MAINTENUE
Charge 250 kg
Capacité 1 persone
Dimensions Petit
Type de gaine Gaine en maçonnerie
Accès à cabine Deux accès adjacents
Type de portes de cabine Sans porte
Type de portes d’étage A un seul battant
Position des portes Sur le palier
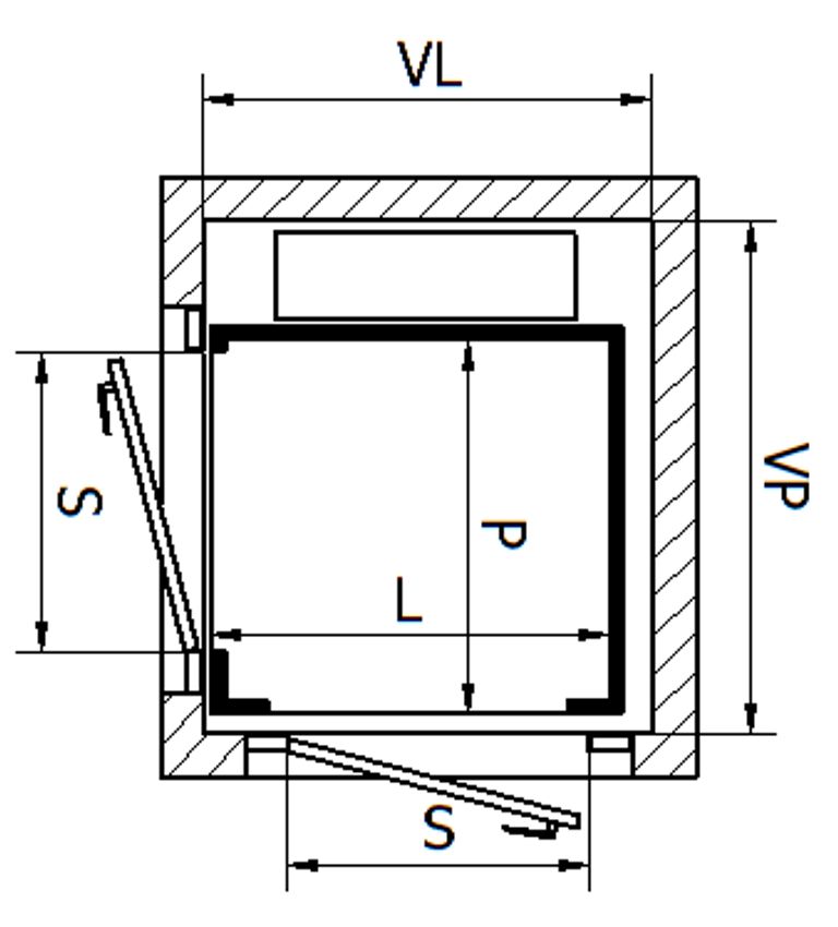
Largeur de cabine (L) 750 mm
Profondeur de cabine (P) 750 mm
Ouverture des portes (S) 600 mm
Largeur gaine intérieure (VL) 850 mm
Profondeur gaine intérieure (VP) 1050 mm
Hauteur de cabine (H) 2000 mm
Cuvette (FH)
  • Standard
  • Réduite
Placeholder
  • 200 mm
  • 100 mm
Tête (TH)
  • Standard
  • Réduite
Placeholder
  • 2400 mm
  • 2150 mm
Remarques
  • Données valables pour installations avec équipements standards.
  • Vitesse 0,15 m/s.
  • AUXILIA 1 tête minimale 2000 mm.
  • ELMA se réserve le droit de modifier les données de ce fiche technique, sans préavis.
Révision
10/12 ED11/      / SC01 / B

Cette fiche est disponible sur le site www.elmaonline.it

About

We are professional and reliable provider since we offer customers the most powerful and beautiful themes. Besides, we always catch the latest technology and adapt to follow world’s new trends to deliver the best themes to the market.