Aller au contenu principal
Veuillez patienter...
AS-NR0825E-ECX-3X-TC-TCSB-AM
ASCENSEUR ECOLIFT MONOVANO - ELECTRIQUE SANS SALLE DE MACHINES

Norme européenne EN 81.70 - Ascenseur Type 2
Norme nationale Loi italienne 13/1989 - Arrêté ministérielle du Ministère des Travaux Publics 236/1989 - Bâtiment non résidentiel
Autre norme nationale Décret du Président de la République italienne 503/1996
Précisions Sauf bâtiment public en Lombardie et bâtiment scolaire dans la province de Bolzano
... ...
Armoire de commande généralement au dernier étage. Pour les portes d’étage EI (classe de résistance au feu), consultez ELMA.
...
Modèle ECOLIFT MONOVANO
Charge 825 kg
Capacité 11 persone
Type de gaine Gaine en maçonnerie
Accès à cabine Trois accès
Type de portes de cabine Télescopique et central
Type de portes d’étage Télescopique et central
Position des portes En porte-à-faux dans la gaine
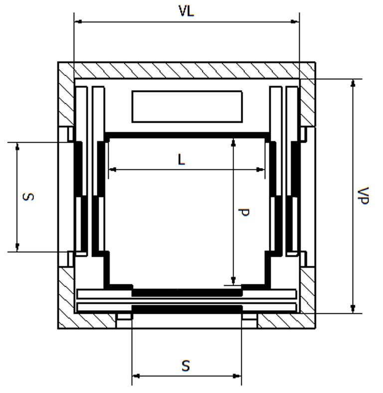
Largeur de cabine (L) 1400 mm
Profondeur de cabine (P) 1400 mm
Ouverture des portes (S) 900 mm
Largeur gaine intérieure (VL) 1950 mm
Profondeur gaine intérieure (VP) 2150 mm
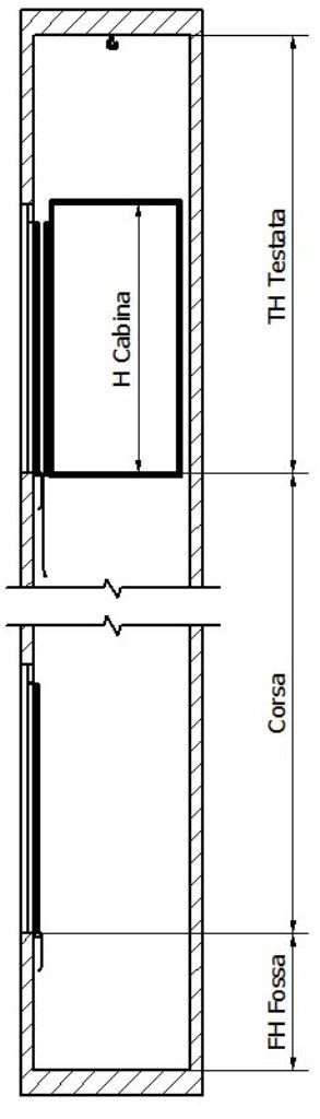
Hauteur de cabine (H) 2130 mm
Cuvette (FH)
  • Standard
  • Réduite
  • En dérogation (installation soumise à autorisation)
Placeholder
  • 1200 mm
  • 1000 mm
  • 500 mm
Tête (TH)
  • Standard
  • En dérogation (installation soumise à autorisation)
Placeholder
  • 3500 mm
  • 2700 mm
Largeur zone de sortie 1500 mm
Profondeur zone de sortie 1500 mm
Remarques
  • Données valables pour installations avec équipements standards.
  • Vitesse jusqu’à 1,40 m/s.
  • ELMA se réserve le droit de modifier les données de ce fiche technique, sans préavis.
Révision
04/26 AI11/ RC01 / SA01 / B

Cette fiche est disponible sur le site www.elmaonline.it

About

We are professional and reliable provider since we offer customers the most powerful and beautiful themes. Besides, we always catch the latest technology and adapt to follow world’s new trends to deliver the best themes to the market.