Aller au contenu principal
Veuillez patienter...
AS-RE0675E-OTX-3X-TC-TCSB-AM
ASCENSEUR OILIFT - HYDRAULIQUE

Norme européenne EN 81.70 - Ascenseur Type 1
Norme nationale Loi italienne 13/1989 - Arrêté ministérielle du Ministère des Travaux Publics 236/1989 - Bâtiment résidentiel
Norme locale Loi régionale Lombardie 6/1989
Précisions Sauf bâtiment résidentiel dans la province de Bolzano
... ...
Modèle OILIFT HYDRAULIQUE
Charge 675 kg
Capacité 9 persone
Type de gaine Gaine en maçonnerie
Accès à cabine Trois accès
Type de portes de cabine Télescopique et central
Type de portes d’étage Télescopique et central
Position des portes En porte-à-faux dans la gaine
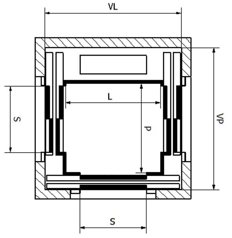
Largeur de cabine (L) 1300 mm
Profondeur de cabine (P) 1300 mm
Ouverture des portes (S) 850 mm
Largeur gaine intérieure (VL) 1850 mm
Profondeur gaine intérieure (VP) 2000 mm
Hauteur de cabine (H) 2130 mm
Cuvette (FH)
  • Standard
  • Réduite
  • En dérogation (installation soumise à autorisation)
  • Avec configuration MONOVANO
Placeholder
  • 1200 mm
  • 950 mm
  • 500 mm
  • 1500 mm
Tête (TH)
  • Standard
  • En dérogation (installation soumise à autorisation)
Placeholder
  • 3400 mm
  • 2500 mm
Largeur zone de sortie 1500 mm
Profondeur zone de sortie 1500 mm
Remarques
  • Données valables pour installations avec équipements standards.
  • Vitesse jusqu’à 1,00 m/s.
  • Avec configuration MONOVANO, limitations de course.
  • ELMA se réserve le droit de modifier les données de ce fiche technique, sans préavis.
Révision
03/20 AI11/      / SA01 / B

Cette fiche est disponible sur le site www.elmaonline.it

About

We are professional and reliable provider since we offer customers the most powerful and beautiful themes. Besides, we always catch the latest technology and adapt to follow world’s new trends to deliver the best themes to the market.