Direkt zum Inhalt
Bitte warten...
EL-NR0500X-ONL-1X-SF-BASP-AM
PLATTFORMAUFZUG AUXILIA S - MIT AUTOMATISCHER KABINENFALTTÜR - ETAGENTÜREN ALS FLÜGELTÜREN - AUTOMATISCHE STEUERUNG.

Nationale Vorschrift Italienisches Gesetz 13/1989 - Erlass des Ministeriums für Öffentliche Arbeiten 236/1989 - Gebäude ohne Wohnzweck
... ...
Modell AUXILIA S - AUTOMATISCHE STEUERUNG
Tragfähigkeit 500 kg
Fassungsvermögen 6 Personen
Maße Maxi
Schachtbeschaffenheit Gemauerter Schacht
Kabinenzutritte Einzelzugang
Art der Kabinentüren Falttür
Art der Etagentüren Flügeltür
Türposition An Ausgangsebene
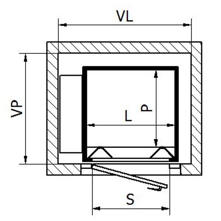
Kabinenbreite (L) 1400 mm
Kabinentiefe (P) 1400 mm
Türöffnungsweite (S) 800 mm
Interne Schachtbreite (VL) 1760 mm
Interne Schachttiefe (VP) 1600 mm
Kabinenhöhe (H) 2000 mm
Schacht (FH)
  • Standard
  • Verringert
Placeholder
  • 250 mm
  • 150 mm
Schachtkopf (TH)
  • Standard
  • Verringert
Placeholder
  • 2500 mm
  • 2400 mm
Breite des Ladebereichs 1500 mm
Tiefe des Ladebereichs 1500 mm
Anmerkungen
  • Daten gültig für Anlagen mit Standardausrüstung.
  • Geschwindigkeit 0,15 m/s.
  • ELMA behält sich vor, die Daten auf diesem Datenblatt ohne vorherige Ankündigung zu verändern.
Inspektion
02/12 FC01/      / SC01 / A

Dieser Plan steht auf der Seite www.elmaonline.it zur Verfügung.

About

We are professional and reliable provider since we offer customers the most powerful and beautiful themes. Besides, we always catch the latest technology and adapt to follow world’s new trends to deliver the best themes to the market.