Direkt zum Inhalt
Bitte warten...
EL-NC0300M-ORX-2A-XX-BASP-AM
PATTFORMAUFZUG AUXILIA 1 UND 2 - KABINE OHNE TÜREN - SCHACHTFLÜGELTÜREN - MANUELLE STEUERUNG

... ...
Modell AUXILIA 1 UND 2 - MANUELLE STEUERUNG
Tragfähigkeit 300 kg
Fassungsvermögen 3 Personen
Maße Mittel
Schachtbeschaffenheit Gemauerter Schacht
Kabinenzutritte Zwei im Winkel zueinander stehende Zugänge
Art der Kabinentüren Ohne Türen
Art der Etagentüren Flügeltür
Türposition An Ausgangsebene
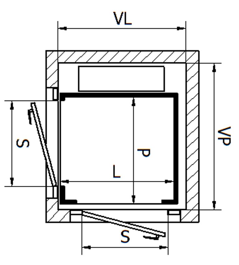
Kabinenbreite (L) 1000 mm
Kabinentiefe (P) 1000 mm
Türöffnungsweite (S) 800 mm
Interne Schachtbreite (VL) 1100 mm
Interne Schachttiefe (VP) 1300 mm
Kabinenhöhe (H) 2000 mm
Schacht (FH)
  • Standard
  • Verringert
Placeholder
  • 200 mm
  • 100 mm
Schachtkopf (TH)
  • Standard
  • Verringert
Placeholder
  • 2400 mm
  • 2150 mm
Anmerkungen
  • Daten gültig für Anlagen mit Standardausrüstung.
  • Geschwindigkeit 0,15 m/s.
  • AUXILIA 1 Schachtkopf mindestens 2000 mm.
  • ELMA behält sich vor, die Daten auf diesem Datenblatt ohne vorherige Ankündigung zu verändern.
Inspektion
10/12 ED11/      / SC01 / B

Dieser Plan steht auf der Seite www.elmaonline.it zur Verfügung.

About

We are professional and reliable provider since we offer customers the most powerful and beautiful themes. Besides, we always catch the latest technology and adapt to follow world’s new trends to deliver the best themes to the market.