Direkt zum Inhalt
Bitte warten...
AS-RI0525B-OTX-3X-TC-TCSB-AM
AUFZUG OILIFT - HYDRAULISCH

Nationale Vorschrift Italienisches Gesetz 13/1989 - Erlass des Ministeriums für Öffentliche Arbeiten 236/1989 - Renoviertes Gebäude
Sonstige nationale Vorschrift Dekret des Präsidenten der Republik Italien 503/1996
Sonstige lokale Vorschrift Dekret des Landeshauptmanns Bozen 54/2009 - Renoviertes Gebäude
... ...
Modell OILIFT HYDRAULISCH
Tragfähigkeit 525 kg
Fassungsvermögen 7 Personen
Schachtbeschaffenheit Gemauerter Schacht
Kabinenzutritte Drei Zugänge
Art der Kabinentüren Teleskopisch und zentral
Art der Etagentüren Teleskopisch und zentral
Türposition Freitragend im Schacht
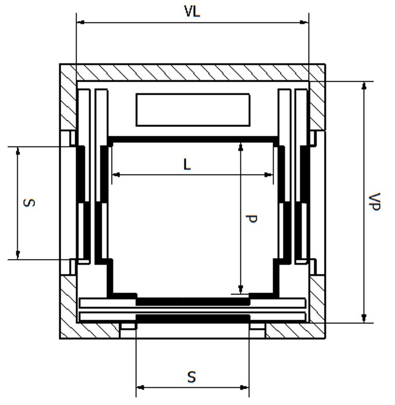
Kabinenbreite (L) 1200 mm
Kabinentiefe (P) 1200 mm
Türöffnungsweite (S) 800 mm
Interne Schachtbreite (VL) 1750 mm
Interne Schachttiefe (VP) 1800 mm
Kabinenhöhe (H) 2130 mm
Schacht (FH)
  • Standard
  • Verringert
  • Abweichend (für die Errichtung ist eine Bewilligung notwendig)
  • In der Konfiguration MONOVANO
Placeholder
  • 1200 mm
  • 950 mm
  • 500 mm
  • 1500 mm
Schachtkopf (TH)
  • Standard
  • Abweichend (für die Errichtung ist eine Bewilligung notwendig)
Placeholder
  • 3400 mm
  • 2500 mm
Breite des Ladebereichs 1400 mm
Tiefe des Ladebereichs 1400 mm
Anmerkungen
  • Daten gültig für Anlagen mit Standardausrüstung.
  • Geschwindigkeit bis zu 1,00 m/s.
  • In Konfiguration MONOVANO Hubbeschränkungen.
  • ELMA behält sich vor, die Daten auf diesem Datenblatt ohne vorherige Ankündigung zu verändern.
Inspektion
03/20 AI11/      / SA01 / B

Dieser Plan steht auf der Seite www.elmaonline.it zur Verfügung.

About

We are professional and reliable provider since we offer customers the most powerful and beautiful themes. Besides, we always catch the latest technology and adapt to follow world’s new trends to deliver the best themes to the market.