Direkt zum Inhalt
Bitte warten...
EL-NC0250P-ORL-1X-SF-BASP-AM
PLATTFORMAUFZUG AUXILIA S - MIT AUTOMATISCHER KABINENFALTTÜR - ETAGENTÜREN ALS FLÜGELTÜREN - AUTOMATISCHE STEUERUNG.

... ...
Modell AUXILIA S - AUTOMATISCHE STEUERUNG
Tragfähigkeit 250 kg
Fassungsvermögen 1 Personen
Maße Klein
Schachtbeschaffenheit Gemauerter Schacht
Kabinenzutritte Einzelzugang
Art der Kabinentüren Falttür
Art der Etagentüren Flügeltür
Türposition An Ausgangsebene
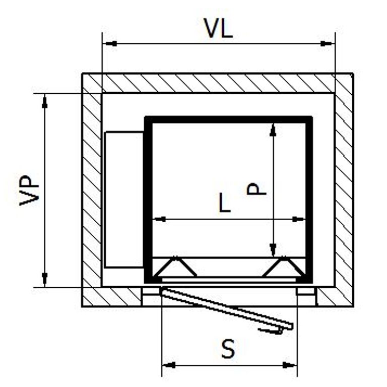
Kabinenbreite (L) 660 mm
Kabinentiefe (P) 650 mm
Türöffnungsweite (S) 650 mm
Interne Schachtbreite (VL) 1050 mm
Interne Schachttiefe (VP) 850 mm
Kabinenhöhe (H) 2000 mm
Schacht (FH)
  • Standard
  • Verringert
Placeholder
  • 250 mm
  • 150 mm
Schachtkopf (TH)
  • Standard
  • Verringert
Placeholder
  • 2500 mm
  • 2400 mm
Anmerkungen
  • Daten gültig für Anlagen mit Standardausrüstung.
  • Geschwindigkeit 0,15 m/s.
  • ELMA behält sich vor, die Daten auf diesem Datenblatt ohne vorherige Ankündigung zu verändern.
Inspektion
02/12 FC01/      / SC01 / A

Dieser Plan steht auf der Seite www.elmaonline.it zur Verfügung.

About

We are professional and reliable provider since we offer customers the most powerful and beautiful themes. Besides, we always catch the latest technology and adapt to follow world’s new trends to deliver the best themes to the market.