Direkt zum Inhalt
Bitte warten...
AS-EP0975I-OTX-3X-TC-TCSB-AM
AUFZUG OILIFT - HYDRAULISCH

Nationale Vorschrift Italienisches Gesetz 13/1989 - Erlass des Ministeriums für Öffentliche Arbeiten 236/1989 - Gebäude ohne Wohnzweck
Lokale Vorschrift Regionales Gesetz der Lombardei 6/1989 - Öffentliches Gebäude
Sonstige lokale Vorschrift Dekret des Landeshauptmanns Bozen 54/2009 - Schulgebäude
... ...
Modell OILIFT HYDRAULISCH
Tragfähigkeit 975 kg
Fassungsvermögen 13 Personen
Schachtbeschaffenheit Gemauerter Schacht
Kabinenzutritte Drei Zugänge
Art der Kabinentüren Teleskopisch und zentral
Art der Etagentüren Teleskopisch und zentral
Türposition Freitragend im Schacht
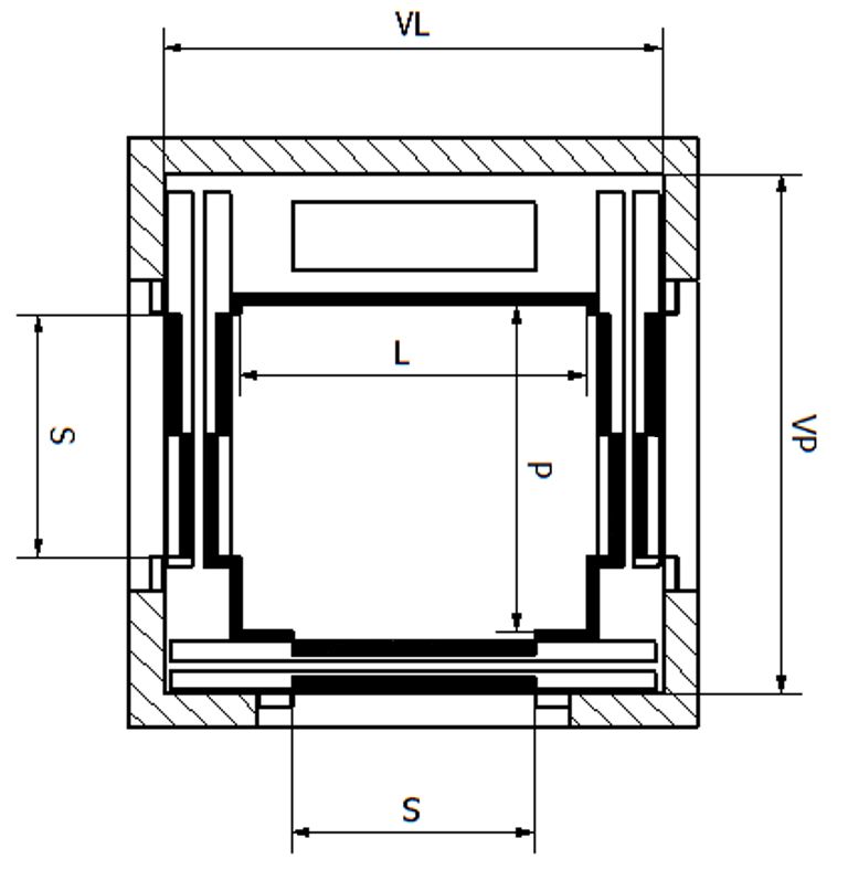
Kabinenbreite (L) 1500 mm
Kabinentiefe (P) 1500 mm
Türöffnungsweite (S) 900 mm
Interne Schachtbreite (VL) 2050 mm
Interne Schachttiefe (VP) 2200 mm
Kabinenhöhe (H) 2130 mm
Schacht (FH)
  • Standard
  • Verringert
  • Abweichend (für die Errichtung ist eine Bewilligung notwendig)
Placeholder
  • 1200 mm
  • 950 mm
  • 500 mm
Schachtkopf (TH)
  • Standard
  • Abweichend (für die Errichtung ist eine Bewilligung notwendig)
Placeholder
  • 3400 mm
  • 2500 mm
Breite des Ladebereichs 1500 mm
Tiefe des Ladebereichs 1500 mm
Anmerkungen
  • Daten gültig für Anlagen mit Standardausrüstung.
  • Geschwindigkeit bis zu 1,00 m/s.
  • ELMA behält sich vor, die Daten auf diesem Datenblatt ohne vorherige Ankündigung zu verändern.
Inspektion
03/20 AI11/      / SA01 / B

Dieser Plan steht auf der Seite www.elmaonline.it zur Verfügung.

About

We are professional and reliable provider since we offer customers the most powerful and beautiful themes. Besides, we always catch the latest technology and adapt to follow world’s new trends to deliver the best themes to the market.