Direkt zum Inhalt
Bitte warten...
AS-RI0525I-ECX-3X-TC-TCSB-AM
AUFZUG ECOLIFT MONOVANO - ELEKTRISCH, OHNE MASCHINENRAUM

Nationale Vorschrift Italienisches Gesetz 13/1989 - Erlass des Ministeriums für Öffentliche Arbeiten 236/1989 - Renoviertes Gebäude
Sonstige nationale Vorschrift Dekret des Präsidenten der Republik Italien 503/1996
Präzisierungen Außer renovierte Gebäude in der Provinz Bozen
... ...
Steuerschrank normalerweise in der obersten Etage. Bei EI (Feuerwiderstand-Klasse) - Etagentüren wenden Sie sich bitte an ELMA.
...
Modell ECOLIFT MONOVANO
Tragfähigkeit 525 kg
Fassungsvermögen 7 Personen
Schachtbeschaffenheit Gemauerter Schacht
Kabinenzutritte Drei Zugänge
Art der Kabinentüren Teleskopisch und zentral
Art der Etagentüren Teleskopisch und zentral
Türposition Freitragend im Schacht
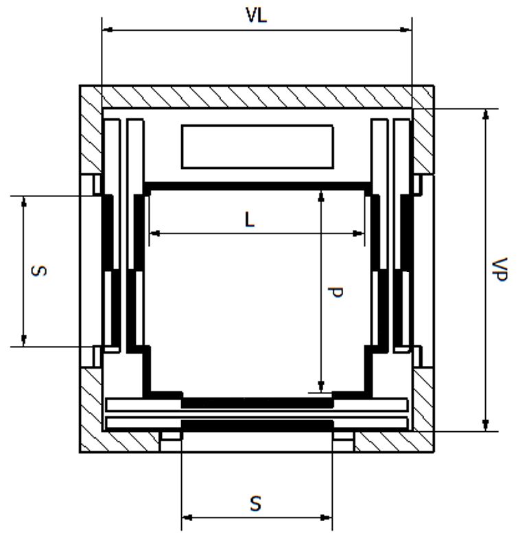
Kabinenbreite (L) 1200 mm
Kabinentiefe (P) 1200 mm
Türöffnungsweite (S) 750 mm
Interne Schachtbreite (VL) 1750 mm
Interne Schachttiefe (VP) 1900 mm
Kabinenhöhe (H) 2130 mm
Schacht (FH)
  • Standard
  • Verringert
  • Abweichend (für die Errichtung ist eine Bewilligung notwendig)
Placeholder
  • 1200 mm
  • 1000 mm
  • 500 mm
Schachtkopf (TH)
  • Standard
  • Abweichend (für die Errichtung ist eine Bewilligung notwendig)
Placeholder
  • 3500 mm
  • 2700 mm
Breite des Ladebereichs 1400 mm
Tiefe des Ladebereichs 1400 mm
Anmerkungen
  • Daten gültig für Anlagen mit Standardausrüstung.
  • Geschwindigkeit bis zu 1,40 m/s.
  • ELMA behält sich vor, die Daten auf diesem Datenblatt ohne vorherige Ankündigung zu verändern.
Inspektion
04/26 AI11/ RC01 / SA01 / B

Dieser Plan steht auf der Seite www.elmaonline.it zur Verfügung.

About

We are professional and reliable provider since we offer customers the most powerful and beautiful themes. Besides, we always catch the latest technology and adapt to follow world’s new trends to deliver the best themes to the market.