Salta al contenuto principale
Attendere prego...
AS-RE0750B-ECX-3X-TC-TCSB-AM
ASCENSORE ECOLIFT MONOVANO - ELETTRICO SENZA LOCALE MACCHINE

Norma europea EN 81.70 - Ascensore Tipo 1
Norma nazionale L 13/1989 - DM LL.PP 236/1989 - Edificio residenziale
Altra norma locale DPP BZ 54/2009 - Edificio residenziale
... ...
Armadiatura di controllo, di norma, al piano più alto. Con porte di piano EI (classe di resistenza al fuoco) consultare ELMA.
...
Modello ECOLIFT MONOVANO
Portata 750 kg
Capienza 10 persone
Natura vano Vano in muratura
Accessi cabina Tre accessi
Tipo porte cabina Telescopica e centrale
Tipo porte piano Telescopica e centrale
Posizione porte A sbalzo nel vano
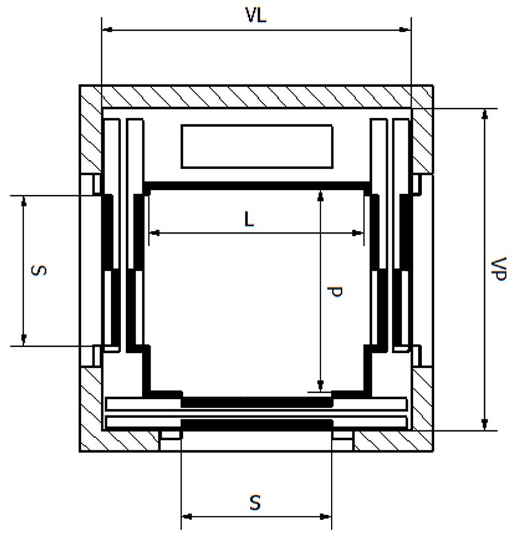
Larghezza cabina (L) 1400 mm
Profondità cabina (P) 1300 mm
Apertura porte (S) 900 mm
Larghezza vano interno (VL) 1950 mm
Profondità vano interno (VP) 2050 mm
Altezza cabina (H) 2130 mm
Fossa (FH)
  • Standard
  • Ridotta
  • In deroga (installazione soggetta ad autorizzazione)
Placeholder
  • 1200 mm
  • 1000 mm
  • 600 mm
Testata (TH)
  • Standard
  • In deroga (installazione soggetta ad autorizzazione)
Placeholder
  • 3500 mm
  • 2800 mm
Larghezza area di sbarco 1500 mm
Profondità area di sbarco 1500 mm
Note
  • Dati validi per impianti con dotazioni standard.
  • Velocità fino a 1,40 m/s.
  • ELMA si riserva di modificare, senza preavviso, i dati riportati sulla presente scheda.
Revisione
03/20 AI11/ RC01 / SA01 / B

Questa scheda è disponibile sul sito www.elmaonline.it

About

We are professional and reliable provider since we offer customers the most powerful and beautiful themes. Besides, we always catch the latest technology and adapt to follow world’s new trends to deliver the best themes to the market.